Idiomas:
Siga-nos:
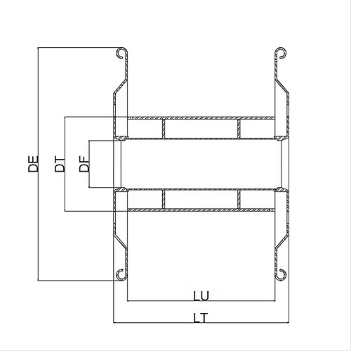
Flange Raiada
Bobina 1 Bobina 2 Bobina 3 Bobina 4
Flange Raiada

Possui reforços em formato de raios que aumentam a rigidez e reduzem o peso. Ideal para aplicações industriais que exigem alta resistência e durabilidade.

Normas:
  • • DIN 46395
  • • DIN 46397
  • • Padrão USA
  • • Projeto/Cliente – Customizado
Solicite seu orçamento
Compartilhe: